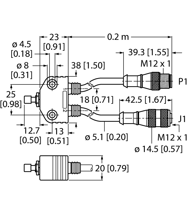
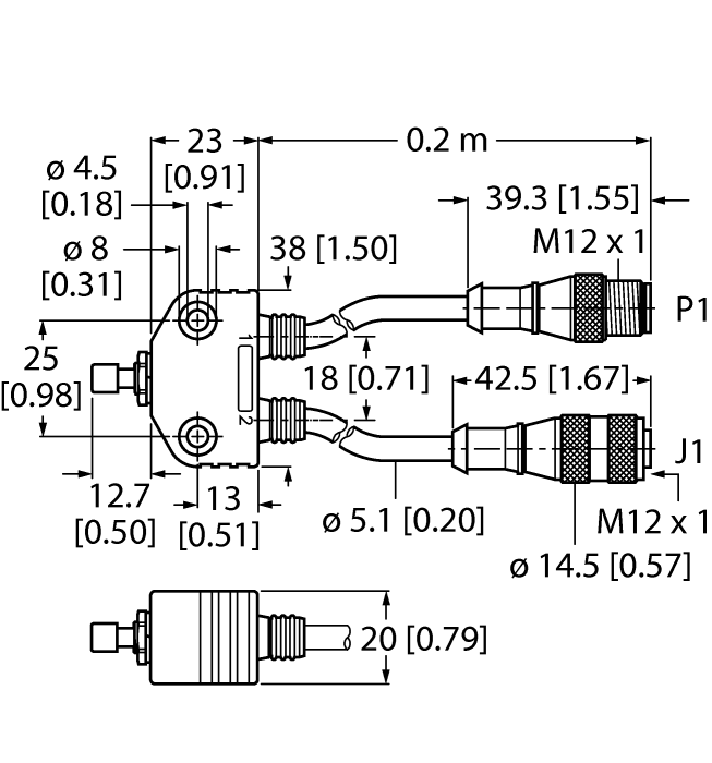
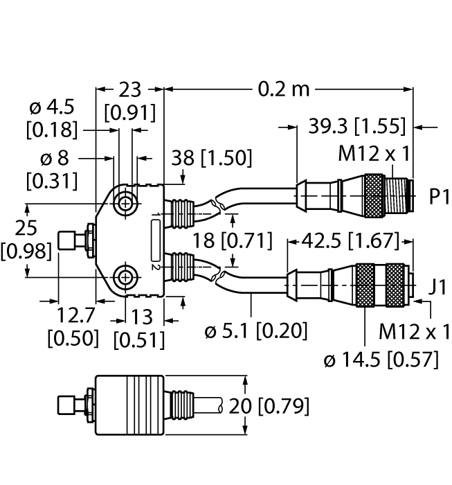
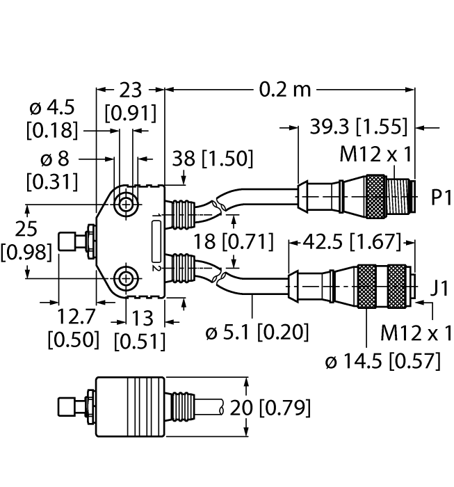
Product VB2-SP1
Accessories
Teach Adapter
For Weld Nut Sensors
Order number: A3501-29- M12 eurofast

General data
| EAN | 4047101059359 |
| eCl@ss-Code (V5.1.4): | 27250391 -/- Decentralized periphery (parts) [AKP191002] |
| Customs tariff number | 8544429090 |
| Country of origin | MX |
| Weight | 68 g |
Technical Data
| Accessory type | Teach adapter |
| Connector A | , M12 × 1 |

