Product EKRT-ESRT-A5.500-GC2K-*
Actuator and Sensor Cable
Extension Cable
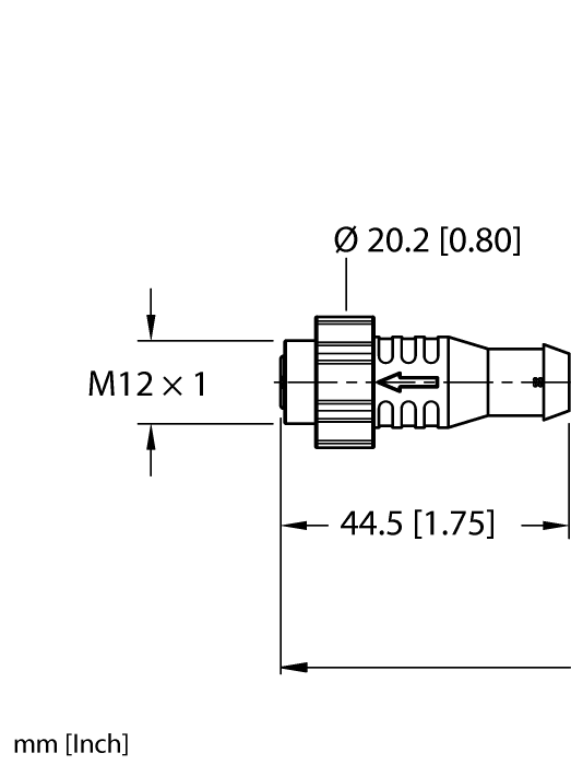
Order number: 777043110- M12, Female, Straight, 5-pin, Torque sleeve
- M12, Male, Straight, 5-pin, Torque sleeve
- Instrumentation Tray Cable
- Black PVC jacket, 5X22 AWG
- Sunlight Resistant
- -40 Cold Bend Rating
- Oil Resistant
- Flame Ratings: UL 1685 FT4, UL1061, CSA FT4
- Flexlife® and C-Track Approved

General data
| eCl@ss-Code (V5.1.4): | 27250107 -/- Connection cable sensor-actuator |
| Customs tariff number | 8544429090 |
| Country of origin | MX |
| Weight | 1.1 g |
Technical Data
| Application | Signal |
| Design | Double-ended |
| Connector A | Female, M12 × 1, Straight, A-code |
| Number of contacts | 5 |
| Connector body | Plastic, TPU, Black |
| Coupling nut | Brass, CuZn, Nickel-plated |
| Connector B | Male, M12 × 1, Straight, A-code |
| Number of contacts | 5 |
| Connector body | Plastic, TPU, Black |
| Coupling nut | Brass, CuZn, Nickel-plated |
| Current | 4 A |
| Cable diameter | Ø 5.69 mm |
| Cable jacket | PVC, Black |
| Number of Conductors | 5 |
| Protection class (When coupled) | IP67, IP68, IP69, IP69K |
| Special Features | Torque sleeve |
| Approvals | UL 2238, CSA C22.2 No. 182.3, CE, UKCA, RoHS |

